Автоматические выключатели NDB1T-63 (6кА) 1-63А 170 товаров
Автоматические выключатели NDB1T-63 (6кА) 1-63А

Отправить запрос

Заполните форму ниже и наши менеджеры свяжутся с вами в ближайшее время и ответят на все ваши вопросы
Вы должны принять перед отправкой.

Конфигуратор

Загрузка данных...
Основной код
Серия
Литерал: NDB1T
Типоразмер
Характеристика отключения
Номинальный ток (А)
Количество полюсов
Доп. контакты
Сигнальные дополнительные устройства
Доп. расцепители
Для группировки отдельных полей для выбора доп. устройств расцепителя
Дополнительные устройства расцепителя

Состав оборудования

Основной товар
Выберите параметры...
Аксессуары

Автоматические выключатели NDB1T-63 на токи от 1А до 63А с коммутационной способностью 6 кА

Назначение:

Автоматические выключатели предназначены для применения в электрических цепях напряжением до 400В переменного тока частоты 50, 60Гц для защиты при перегрузках и коротких замыканиях, проведения тока в нормальном режиме и оперативных включений и отключений указанных цепей.

Особенности:

Универсальность применения

  • Широкий диапазон токов: начиная с 1A и до 63A

  • Различные полюсные конфигурации: 1P, 1P+N, 2P, 3P, 3P+N, 4P

  • Переменный и постоянный ток: AC230/240/400/415V + DC60/80V

Расширенные защитные функции

  • Три типа характеристик:

    • B тип: 4In (±20%) - для цепей с низкими пусковыми токами

    • C тип: 8In (±20%) - для стандартных нагрузок и кабелей

    • D тип: 12In (±20%) - для нагрузок с высокими пусковыми токами (двигатели, трансформаторы)

Высокие эксплуатационные характеристики

  • Отключающая способность:

    • Icn = 6000A (AC), 10000A (DC60V)

    • Ics = 6000A (AC), 7500A (DC60V)

  •  Долговечность:

    • Механический ресурс: 20,000 циклов

    • Электрический ресурс: 10,000 циклов

Расширенный температурный диапазон 

Самый широкий температурный диапазон в классе (-40°C ~ +70°C)

Параметр Значение
Рабочая температура -40°C ~ +70°C
Температура хранения -40°C ~ +80°C
Влажность ≤95% при +55°C

Высотная устойчивость

  • Работа до 2000м без снижения характеристик

  • Детальные таблицы снижения для высот 3-5км

Конструктивные преимущества

Модульность и совместимость

  • Двустороннее подключение - можно подключать как снизу вверх, так и сверху вниз! ✅
  • Широкий диапазон проводников: 1-25 мм²

  • Визуальная индикация - зеленый маркер положения контактов ✅

Богатая экосистема аксессуаров ✅

Аксессуар Назначение
OFI вспомогательный контакт Индикация состояния
SDI сигнальный контакт Индикация аварийного отключения
MX+OFI расцепитель Дистанционное управление
GQ1A реле напряжения Защита от перенапряжения
FFI двойной контакт Двойная индикация
FSI комбинированный контакт Индикация+сигнализация
NDHI шинная сборка Групповое соединение

Модуль защиты от остаточного тока NDB1TLE-63, устанавливается справа от автоматического выключателя NDB1T-63, применяется для защиты от прямых или косвенных утечек на землю.

Технические характеристики

Наименование параметра Значение
Количество полюсов 1P, 1P+N, 2P, 3P, 3P+N, 4P
Номинальное рабочее напряжение, Uн AC230/240В (1P, 1P+N);
AC400/415В (2P, 3P, 3P+N, 4P)
DC60/80В (1P,2P)
Номинальный ток, In 1A, 2A, 3A, 4A, 5A, 6A, 10A, 16A, 20A, 25A, 32A, 40A, 50A, 63A
Номинальное напряжение изоляции, UI 500В AC
Номинальная частота 50/60 Гц
Номинальное импульсное выдерживаемое напряжение, Ultmp 6 кВ
Номинальная предельная наибольшая отключающая способность, Icu

6кА,

10 кА (DC60V)

Тип защитной характеристики B, C, D
Механическая износостойкость, циклов 20000
Электрическая износостойкость, циклов 10000
Степень защиты IP20
Категория применения A
Класс монтажа II, III,IV
Температура окружающей среды -35℃~ +70℃
Рабочая температура окружающей среды -40℃~ + 70℃
Относительная влажность воздуха ≤95% при температуре +55℃
Высота установки над уровнем моря ≤2000 м
Степень загрязнения 3 Отсутствие явной вибрации или ударов
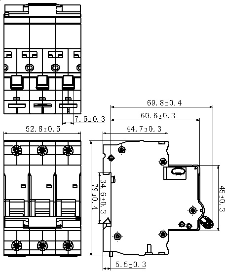
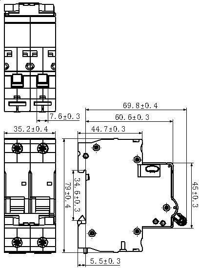
Способ установки Устанавливается на стандартнуюDIN-рейку 35 мм x 7,5мм.
Присоединяемые внешние проводники
Сечение провода, присоединяемого к выводнымзажимам 1-25мм2
Винты М5
Крутящий момент затяжки винтов крепления внешних проводников 3,0Нм
Транспортирование и хранение Упаковочные коробки с продуктами следует хранить в условиях циркуляции воздуха и относительнойвлажности не более 80% и температураот+ 70℃до-40℃без кислоты,щелочиили других агрессивныхгазов, хранящихся на складе. При вышеуказанных условиях срок хранения с момента даты изготовления неболее трех лет.
   

Таблица снижения номинальных характеристик по высоте

Высота над уровнем моря H (км) Номинальный рабочий ток Максимальное рабочее напряжение Номинальное выдерживаемое промышленной частоты напряжение Номинальное импульсное выдерживаемое напряжение Номинальная отключающая способность и электромеханический срок службы
2 In Ue 1.00 1.00 1.00
3 0.97In Ue 0.89 0.89 0.83
4 0.94In Ue 0.80 0.80 0.71
5 0.90In Ue 0.73 0.73 0.63

Таблица снижения номинальных характеристик по температуре

Номинальный ток (А) Температура, °C
-40°C -35°C -30°C -25°C -20°C -15°C -10°C -5°C 0°C 5°C 10°C 15°C
Рабочий ток выключателя, А
1 1.29 1.27 1.25 1.23 1.21 1.19 1.17 1.15 1.13 1.10 1.08 1.06
2 2.45 2.41 2.38 2.35 2.32 2.29 2.26 2.23 2.20 2.17 2.13 2.10
3 3.97 3.89 3.83 3.76 3.70 3.64 3.57 3.50 3.44 3.37 3.30 3.22
4 4.94 4.87 4.81 4.75 4.68 4.62 4.55 4.49 4.42 4.35 4.29 4.22
6 7.96 7.70 7.58 7.46 7.34 7.21 7.09 6.96 6.83 6.70 6.56 6.42
10 14.15 13.89 13.62 13.35 13.07 12.81 12.53 12.23 11.93 11.63 11.33 11.01
16 21.10 20.78 20.43 20.08 19.75 19.40 19.05 18.70 18.33 17.96 17.58 17.20
20 26.04 25.67 25.28 24.88 24.47 24.06 23.64 23.22 22.78 22.34 21.89 21.43
25 32.91 32.21 31.72 31.22 30.70 30.18 29.65 29.10 28.55 27.98 27.41 26.82
32 41.67 41.04 40.46 39.82 39.17 38.51 37.84 37.15 36.47 35.75 35.03 34.30
40 52.49 51.63 50.86 50.04 49.21 48.37 47.51 46.63 45.74 44.83 43.90 42.95
50 66.10 64.92 63.97 62.92 61.86 60.77 59.67 58.54 57.40 56.23 55.05 53.81
63 84.40 83.48 82.06 80.64 79.19 77.72 76.22 74.70 73.14 71.54 69.91 68.24

Зависимость номинального рабочего тока от температуры окружающего воздуха

Номинальный ток (А) Температура окружающей среды, °C
20°C 25°C 30°C 35°C 40°C 45°C 50°C 55°C 60°C 65°C 70°C
Рабочий ток выключателя, А
1 1.05 1.02 1.00 0.97 0.94 0.91 0.89 0.86 0.83 0.80 0.77
2 2.07 2.03 2.00 1.96 1.93 1.89 1.86 1.82 1.78 1.74 1.70
3 3.14 3.06 3.00 2.92 2.84 2.76 2.67 2.58 2.49 2.38 2.27
4 4.15 4.07 4.00 3.93 3.85 3.77 3.69 3.61 3.53 3.44 3.36
6 6.27 6.14 6.00 5.84 5.68 5.52 5.36 5.19 5.01 4.83 4.64
10 10.67 10.34 10.00 9.63 9.24 8.85 8.45 8.01 7.55 7.06 6.55
16 16.80 16.40 16.00 15.55 15.11 14.66 14.20 13.71 13.21 12.70 12.15
20 20.96 20.47 20.00 19.47 18.95 18.42 17.87 17.30 16.71 16.10 15.47
25 26.22 25.61 25.00 24.33 23.67 23.00 22.28 21.56 20.80 20.02 19.21
32 33.54 32.77 32.00 31.17 30.34 29.48 28.60 27.69 26.75 25.78 24.77
40 41.98 40.99 40.00 38.93 37.85 36.75 35.61 34.43 33.21 31.95 30.63
50 52.56 51.28 50.00 47.82 46.24 44.81 43.33 41.81 40.23 38.58 35.77
63 66.53 64.78 63.00 60.11 58.19 56.21 54.16 52.03 49.81 47.50 43.05

Коэффициент снижения номинальных характеристик при установке в ряд

Коэффициент снижения 1 0.9 0.8 0.7 0.6
- 1 0.9 0.8 0.7 0.6

Время-токовые характеристики выключателя. Контрольная температура +30°С

Габаритные, установочные, присоединительные размеры

1P
1P+N, 2P
3P
3P+N, 4P
ND
B
1
T
-
63
/
1 2 3 4 5 6 7 8

Расшифровка обозначения:

Параметр Расшифровка
1 Код предприятия ND: Nader Liangxin Electrical
2 Код изделия B: Модульный автоматический выключатель
3 Код конструкции 1
4 Символ модели T
5 Типоразмер 63
6 Характеристика отключения B: 4(1±20%)In,
C: 8(1±20%)In,
D:12(1±20%)In
7 Номинальный ток (А) In: 1A, 2A, 3A, 4A, 5A, 6A, 10A, 16A, 20A, 25A, 32A, 40A, 50A, 63A
8 Количество полюсов Количество полюсов: 1P, 1P+N, 2P, 3P, 3P+N, 4P
Аксессуары и дополнительные элементы:
Технические характеристики NDB1T-63 рус Техническая информация. Номер документа: NDT2930146 (IPD-ENG-DEV-T22A0 2016-04-20). Версия: 24.06.2016.

Перечень продукции

Сортировать по: Популярности Цене Новизне
Выводить по: 16 32 64
В каталоге более 100 тысяч наименований! Как же разобраться и правильно выбрать аппараты? Без затрат времени и чтобы было в наличии?
Бесплатно поможем
выбрать оборудование

Поможем подобрать оборудование и оптимизируем затраты

Предоставим техническую документацию для проектирования и наладки

Присылайте нам ТЗ для подбора оборудования

Запросить подбор